제품소개
Tube Fitting
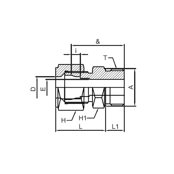
BU
| Designations | Tube O.D | E | Width across flat | i | ℓ | Ref. | ||
| D | H1 | H | L | |||||
| BU-06 | 6 | 4 | 14 | 14 | 7 | 30 | 51 | |
| BU-08 | 8 | 6 | 17 | 17 | 7 | 31 | 52 | |
| BU-10 | 10 | 8 | 17 | 19 | 7 | 31 | 54 | |
| BU-12 | 12 | 10 | 19 | 22 | 7 | 31 | 54 | |
| BU-15 | 15 | 12 | 24 | 27 | 7.5 | 39 | 61 | |
| BU-16 | 16 | 13 | 27 | 30 | 7.5 | 36 | 61 | |
| BU-18 | 18 | 14 | 27 | 32 | 8 | 36 | 61 | |
| BU-20 | 20 | 17 | 30 | 36 | 8 | 38 | 63 | |
| BU-22 | 22 | 18 | 32 | 36 | 9 | 38 | 63 | |
| BU-25 | 25 | 20 | 36 | 41 | 10 | 38 | 66 | |
| BU-28 | 28 | 22 | 41 | 46 | 10 | 43 | 71 | |
| BU-30 | 30 | 25 | 41 | 46 | 10 | 43 | 72 | |
| BU-32 | 32 | 26 | 46 | 50 | 11 | 44 | 73 | |
| BU-35 | 35 | 28 | 46 | 55 | 11 | 44 | 79 | |
| BU-38 | 38 | 32 | 50 | 60 | 12 | 46 | 85 | |
| BU-40 | 40 | 32 | 55 | 60 | 12 | 55 | 94 | |
| BU-42 | 42 | 34 | 55 | 60 | 12 | 55 | 94 | |
| BU-06A | 1/8 | 10.5 | 8 | 17 | 19 | 7 | 31 | 54 |
| BU-08A | 1/4 | 13.8 | 11 | 22 | 24 | 7.5 | 38 | 60 |
| BU-10A | 3/8 | 17.3 | 14 | 27 | 32 | 8 | 38 | 61 |
| BU-15A | 1/2 | 21.7 | 18 | 32 | 36 | 9 | 38 | 63 |
| BU-20A | 3/4 | 27.2 | 22 | 41 | 46 | 10 | 43 | 71 |
| BU-25A | 1 | 34.0 | 28 | 46 | 55 | 11 | 44 | 79 |
| BU-32A | 1-1/4 | 42.7 | 34 | 60 | 65 | 12 | 57 | 98 |
| BU-40A | 1-1/2 | 46.6 | 40 | 65 | 75 | 12 | 60 | 103 |
BL
| Designations | Tube O.D | E | Width across flat | i | ℓ | Ref. | ||
| D | H1 | H | L | |||||
| L-06 | 6 | 4 | 14 | 14 | 7 | 20 | 30.5 | |
| BL-08 | 8 | 6 | 17 | 17 | 7 | 23 | 33.5 | |
| BL-10 | 10 | 8 | 17 | 19 | 7 | 23 | 34.5 | |
| BL-12 | 12 | 10 | 19 | 22 | 7 | 24 | 35.5 | |
| BL-15 | 15 | 12 | 24 | 27 | 7.5 | 29 | 41.5 | |
| BL-16 | 16 | 13 | 27 | 30 | 7.5 | 32 | 44.5 | |
| BL-18 | 18 | 14 | 27 | 32 | 8 | 32 | 44.5 | |
| BL-20 | 20 | 17 | 30 | 36 | 8 | 33 | 45.5 | |
| BL-22 | 22 | 18 | 32 | 36 | 9 | 34 | 46.5 | |
| BL-25 | 25 | 20 | 36 | 41 | 10 | 36 | 49.5 | |
| BL-28 | 28 | 22 | 41 | 46 | 10 | 41 | 55 | |
| BL-30 | 30 | 25 | 41 | 46 | 10 | 41 | 55.5 | |
| BL-32 | 32 | 26 | 46 | 50 | 11 | 45 | 59.5 | |
| BL-35 | 35 | 28 | 46 | 55 | 11 | 48 | 63.5 | |
| BL-38 | 38 | 32 | 50 | 60 | 12 | 50 | 69.5 | |
| BL-40 | 40 | 32 | 55 | 60 | 12 | 55 | 74.5 | |
| BL-42 | 42 | 34 | 55 | 60 | 12 | 55 | 74.5 | |
| BL-06A | 1/8 | 10.5 | 8 | 17 | 19 | 7 | 23 | 34.5 |
| BL-08A | 1/4 | 13.8 | 11 | 22 | 24 | 7.5 | 28 | 40 |
| BL-10A | 3/8 | 17.3 | 14 | 27 | 32 | 8 | 32 | 44.5 |
| BL-15A | 1/2 | 21.7 | 18 | 32 | 36 | 9 | 34 | 46.5 |
| BL-20A | 3/4 | 27.2 | 22 | 41 | 46 | 10 | 41 | 55 |
| BL-25A | 1 | 34.0 | 28 | 46 | 55 | 11 | 46 | 63.5 |
| BL-32A | 1-1/4 | 42.7 | 34 | 60 | 65 | 12 | 57 | 77.5 |
| BL-40A | 1-1/2 | 46.6 | 40 | 65 | 75 | 12 | 62 | 83.5 |
BT
| Designations | Tube O.D | E | Width across flat | i | ℓ | Ref. | ||
| D | H1 | H | L | |||||
| BT-06 | 6 | 4 | 14 | 14 | 7 | 20 | 30.5 | |
| BT-08 | 8 | 6 | 17 | 17 | 7 | 23 | 33.5 | |
| BT-10 | 10 | 8 | 17 | 19 | 7 | 23 | 34.5 | |
| BT-12 | 12 | 10 | 19 | 22 | 7 | 24 | 35.5 | |
| BT-15 | 15 | 12 | 24 | 27 | 7.5 | 29 | 41.5 | |
| BT-16 | 16 | 13 | 27 | 30 | 7.5 | 32 | 44.5 | |
| BT-18 | 18 | 14 | 27 | 32 | 8 | 32 | 44.5 | |
| BT-20 | 20 | 17 | 30 | 36 | 8 | 33 | 45.5 | |
| BT-22 | 22 | 18 | 32 | 36 | 9 | 34 | 46.5 | |
| BT-25 | 25 | 20 | 36 | 41 | 10 | 36 | 49.5 | |
| BT-28 | 28 | 22 | 41 | 46 | 10 | 41 | 55 | |
| BT-30 | 30 | 25 | 41 | 46 | 10 | 41 | 55.5 | |
| BT-32 | 32 | 26 | 46 | 50 | 11 | 45 | 59.5 | |
| BT-35 | 35 | 28 | 46 | 55 | 11 | 48 | 63.5 | |
| BT-38 | 38 | 32 | 50 | 60 | 12 | 50 | 69.5 | |
| BT-40 | 40 | 32 | 55 | 60 | 12 | 55 | 74.5 | |
| BT-42 | 42 | 34 | 55 | 60 | 12 | 55 | 74.5 | |
| BT-06A | 1/8 | 10.5 | 8 | 17 | 19 | 7 | 23 | 34.5 |
| BT-08A | 1/4 | 13.8 | 11 | 22 | 24 | 7.5 | 28 | 40 |
| BT-10A | 3/8 | 17.3 | 14 | 27 | 32 | 8 | 32 | 44.5 |
| BT-15A | 1/2 | 21.7 | 18 | 32 | 36 | 9 | 34 | 46.5 |
| BT-20A | 3/4 | 27.2 | 22 | 41 | 46 | 10 | 41 | 55 |
| BT-25A | 1 | 34.0 | 28 | 46 | 55 | 11 | 46 | 63.5 |
| BT-32A | 1-1/4 | 42.7 | 34 | 60 | 65 | 12 | 57 | 77.5 |
| BT-40A | 1-1/2 | 46.6 | 40 | 65 | 75 | 12 | 62 | 83.5 |
BBU
| Designations | Tube O.D | E | Width across flat | i | ℓ | Ref. | Panel Hole Drill Size | Max Panel Thickness | ||
| D | H1 | H | L | N | S | |||||
| BBU-06 | 6 | 4 | 14 | 14 | 7 | 20 | 72 | 12.5 | 13 | |
| BBU-08 | 8 | 6 | 17 | 17 | 7 | 23 | 72 | 14.5 | 13 | |
| BBU-10 | 10 | 8 | 17 | 19 | 7 | 23 | 75 | 16.5 | 13 | |
| BBU-12 | 12 | 10 | 19 | 22 | 7 | 24 | 75 | 18.5 | 13 | |
| BBU-15 | 15 | 12 | 24 | 27 | 7.5 | 29 | 84 | 22.5 | 15 | |
| BBU-16 | 16 | 13 | 27 | 30 | 7.5 | 32 | 86 | 24.5 | 15 | |
| BBU-18 | 18 | 14 | 27 | 32 | 8 | 32 | 88 | 26.5 | 15 | |
| BBU-20 | 20 | 17 | 30 | 36 | 8 | 33 | 88 | 28.5 | 15 | |
| BBU-22 | 22 | 18 | 32 | 36 | 9 | 34 | 89 | 30.5 | 15 | |
| BBU-25 | 25 | 20 | 36 | 41 | 10 | 36 | 91 | 35.5 | 15 | |
| BBU-28 | 28 | 22 | 41 | 46 | 10 | 41 | 97 | 38.5 | 15 | |
| BBU-30 | 30 | 25 | 41 | 46 | 10 | 41 | 98 | 40.5 | 15 | |
| BBU-32 | 32 | 26 | 46 | 50 | 11 | 45 | 102 | 42.5 | 15 | |
| BBU-35 | 35 | 28 | 46 | 55 | 11 | 48 | 108 | 45.5 | 15 | |
| BBU-38 | 38 | 32 | 50 | 60 | 12 | 50 | 115 | 48.5 | 15 | |
| BBU-40 | 40 | 32 | 55 | 60 | 12 | 55 | 126 | 52.5 | 15 | |
| BBU-06A | 1/8 | 10.5 | 8 | 22 | 19 | 7 | 23 | 75 | 16.5 | 13 |
| BBU-08A | 1/4 | 13.8 | 11 | 27 | 24 | 7.5 | 28 | 83 | 20.5 | 15 |
| BBU-10A | 3/8 | 17.3 | 14 | 32 | 32 | 8 | 32 | 88 | 26.5 | 15 |
| BBU-15A | 1/2 | 21.7 | 18 | 36 | 36 | 9 | 34 | 89 | 30.5 | 15 |
| BBU-20A | 3/4 | 27.2 | 22 | 46 | 46 | 10 | 41 | 97 | 38.5 | 15 |
| BBU-25A | 1 | 34.0 | 28 | 50 | 55 | 11 | 46 | 108 | 45.5 | 15 |
| BBU-32A | 1-1/4 | 42.7 | 34 | 65 | 65 | 12 | 57 | 131 | 56.5 | 15 |
| BBU-40A | 1-1/2 | 46.6 | 40 | 70 | 75 | 12 | 62 | 136 | 64.5 | 15 |
BBL
| Designations | Tube O.D | E | Width across flat | i | ℓ | Ref. | Panel Hole Drill Size | Max Panel Thickness | |||
| D | h | H1 | H | L1 | L | N | S | ||||
| BBL-06 | 6 | 4 | 17 | 17 | 14 | 7 | 45 | 33.5 | 55.5 | 12.5 | 13 |
| BBL-08 | 8 | 6 | 19 | 19 | 17 | 7 | 46 | 34.5 | 56.5 | 14.5 | 13 |
| BBL-10 | 10 | 8 | 22 | 22 | 19 | 7 | 48 | 37.5 | 59.5 | 16.5 | 13 |
| BBL-12 | 12 | 10 | 24 | 24 | 22 | 7 | 49 | 38.5 | 60.5 | 18.5 | 13 |
| BBL-15 | 15 | 12 | 27 | 27 | 27 | 7.5 | 57 | 43.5 | 69.5 | 22.5 | 15 |
| BBL-16 | 16 | 13 | 30 | 30 | 30 | 7.5 | 59 | 45.5 | 71.5 | 24.5 | 15 |
| BBL-18 | 18 | 14 | 32 | 32 | 32 | 8 | 63 | 45.5 | 75.5 | 26.5 | 15 |
| BBL-20 | 20 | 17 | 32 | 32 | 36 | 8 | 65 | 45.5 | 77.5 | 28.5 | 15 |
| BBL-22 | 22 | 18 | 36 | 36 | 36 | 9 | 65 | 48.5 | 77.5 | 30.5 | 15 |
| BBL-25 | 25 | 20 | 41 | 41 | 41 | 10 | 68 | 52.5 | 81.5 | 35.5 | 15 |
| BBL-28 | 28 | 22 | 41 | 46 | 46 | 10 | 70 | 55.0 | 84.0 | 38.5 | 15 |
| BBL-30 | 30 | 25 | 46 | 46 | 46 | 10 | 74 | 60.5 | 88.5 | 40.5 | 15 |
BLMC
| Designations | Tube O.D | (PT) T |
E | Basic Gauge length a |
Width across flat | i | ℓ | Ref. | ||
| D | H1 | H | L | |||||||
| BLMC06-01R | 6 | 1/8 | 4 | 3.97 | 14 | 14 | 7 | 63 | 69.5 | |
| BLMC08-02R | 8 | 1/4 | 8 | 6.01 | 17 | 17 | 7 | 70 | 74.5 | |
| BLMC10-02R | 10 | 1/4 | 7 | 6.01 | 17 | 19 | 7 | 71 | 76.5 | |
| BLMC10-03R | 10 | 3/8 | 8 | 6.35 | 19 | 19 | 7 | 72 | 77.0 | |
| BLMC12-02R | 12 | 1/4 | 7 | 6.01 | 19 | 22 | 7 | 71 | 76.5 | |
| BLMC12-03R | 12 | 3/8 | 9 | 6.35 | 19 | 22 | 7 | 72 | 77.0 | |
| BLMC15-03R | 15 | 3/8 | 9 | 6.35 | 24 | 27 | 7.5 | 81 | 87.0 | |
| BLMC15-04R | 15 | 1/2 | 12 | 8.16 | 24 | 27 | 7.5 | 86 | 90.5 | |
| BLMC16-04R | 16 | 1/2 | 12 | 8.16 | 27 | 30 | 7.5 | 86 | 90.5 | |
| BLMC18-04R | 18 | 1/2 | 12 | 8.16 | 27 | 32 | 8 | 86 | 90.5 | |
| BLMC20-06R | 20 | 3/4 | 16 | 9.53 | 30 | 36 | 8 | 92 | 95.0 | |
| BLMC22-06R | 22 | 3/4 | 16 | 9.53 | 32 | 36 | 9 | 93 | 96.0 | |
| BLMC25-08R | 25 | 1 | 20 | 10.39 | 36 | 41 | 10 | 99 | 102 | |
| BLMC28-08R | 28 | 1 | 22 | 10.39 | 41 | 46 | 10 | 104 | 107.5 | |
| BLMC30-10R | 30 | 1-1/4 | 25 | 12.7 | 46 | 46 | 10 | 109 | 111 | |
| BLMC32-10R | 32 | 1-1/4 | 26 | 12.7 | 46 | 50 | 11 | 110 | 112 | |
| BLMC06A-02R | 1/8 | 10.5 | 1/4 | 7 | 6.01 | 17 | 19 | 7 | 71 | 76.5 |
| BLMC08A-03R | 1/4 | 13.8 | 3/8 | 9 | 6.35 | 22 | 24 | 7.5 | 81 | 86.5 |
| BLMC10A-03R | 3/8 | 17.3 | 3/8 | 9 | 6.35 | 27 | 32 | 8 | 81 | 87 |
| BLMC15A-06R | 1/2 | 21.7 | 3/4 | 16 | 9.53 | 32 | 36 | 9 | 93 | 96 |
| BLMC20A-08R | 3/4 | 27.2 | 1 | 22 | 10.39 | 41 | 46 | 10 | 104 | 107.5 |
BMC-R
| Designations | Tube O.D | (PT) T |
E | Basic Gauge length a |
Width across flat | i | ℓ | Ref. | ||
| D | H1 | H | L | |||||||
| BMC06-01R | 6 | 1/8 | 4 | 3.97 | 14 | 14 | 7 | 28 | 34.5 | |
| BMC06-02R | 6 | 1/4 | 4 | 6.01 | 17 | 14 | 7 | 33 | 37.5 | |
| BMC06-03R | 6 | 3/8 | 4 | 6.35 | 17 | 14 | 7 | 34 | 38.5 | |
| BMC08-01R | 8 | 1/8 | 4 | 3.97 | 17 | 17 | 7 | 29 | 35.5 | |
| BMC08-02R | 8 | 1/4 | 6 | 6.01 | 17 | 17 | 7 | 33 | 37.5 | |
| BMC10-02R | 10 | 1/4 | 7 | 6.01 | 17 | 19 | 7 | 33 | 38.5 | |
| BMC10-03R | 10 | 3/8 | 8 | 6.35 | 19 | 19 | 7 | 34 | 39.0 | |
| BMC10-04R | 10 | 1/2 | 8 | 8.16 | 22 | 19 | 7 | 39 | 42.5 | |
| BMC12-02R | 12 | 1/4 | 7 | 6.01 | 19 | 22 | 7 | 33 | 38.5 | |
| BMC12-03R | 12 | 3/8 | 9 | 6.35 | 19 | 22 | 7 | 34 | 39.0 | |
| BMC12-04R | 12 | 1/2 | 10 | 8.16 | 24 | 22 | 7 | 39 | 42.5 | |
| BMC15-03R | 15 | 3/8 | 9 | 6.35 | 24 | 27 | 7.5 | 37 | 43.0 | |
| BMC15-04R | 15 | 1/2 | 12 | 8.16 | 24 | 27 | 7.5 | 41 | 45.5 | |
| BMC16-03R | 16 | 3/8 | 9 | 6.35 | 27 | 30 | 7.5 | 37 | 43 | |
| BMC16-04R | 15 | 1/2 | 12 | 8.16 | 27 | 30 | 7.5 | 41 | 45.5 | |
| BMC18-04R | 18 | 1/2 | 12 | 8.16 | 27 | 32 | 8 | 41 | 45.5 | |
| BMC20-04R | 20 | 1/2 | 12 | 8.16 | 30 | 36 | 8 | 43 | 47.5 | |
| BMC20-06R | 20 | 3/4 | 16 | 9.53 | 30 | 36 | 8 | 45 | 48 | |
| BMC22-04R | 22 | 1/2 | 12 | 8.16 | 32 | 36 | 9 | 43 | 47.5 | |
| BMC22-06R | 22 | 3/4 | 16 | 9.53 | 32 | 36 | 9 | 45 | 48 | |
| BMC25-08R | 25 | 1 | 20 | 10.39 | 36 | 41 | 10 | 49 | 52 | |
| BMC28-08R | 28 | 1 | 22 | 10.39 | 41 | 46 | 10 | 51 | 54.5 | |
| BMC30-08R | 30 | 1 | 22 | 10.39 | 41 | 46 | 10 | 51 | 55 | |
| BMC30-10R | 30 | 1-1/4 | 25 | 12.7 | 46 | 46 | 10 | 55 | 57 | |
| BMC32-10R | 32 | 1-1/4 | 26 | 12.7 | 46 | 50 | 11 | 55 | 57 | |
| BMC35-10R | 35 | 1-1/4 | 28 | 12.7 | 46 | 55 | 11 | 55 | 60 | |
| BMC38-12R | 38 | 1-1/2 | 32 | 12.7 | 50 | 60 | 12 | 57 | 64 | |
| BMC40-12R | 40 | 1-1/2 | 32 | 12.7 | 55 | 60 | 12 | 62 | 69 | |
| BMC42-12R | 42 | 1-1/2 | 34 | 12.7 | 55 | 60 | 12 | 62 | 69 | |
| BMC06A-01R | 1/8 | 10.5 | 1/8 | 4 | 3.97 | 17 | 19 | 7 | 29 | 36.5 |
| BMC06A-02R | 1/8 | 10.5 | 1/4 | 7 | 6.01 | 17 | 19 | 7 | 33 | 38.5 |
| BMC08A-02R | 1/4 | 13.8 | 1/4 | 7 | 6.01 | 22 | 24 | 7.5 | 36 | 42 |
| BMC08A-03R | 1/4 | 13.8 | 3/8 | 9 | 6.35 | 22 | 24 | 7.5 | 37 | 42.5 |
| BMC10A-03R | 3/8 | 17.3 | 3/8 | 9 | 6.35 | 27 | 32 | 8 | 37 | 43 |
| BMC10A-04R | 3/8 | 17.3 | 1/2 | 12 | 8.16 | 27 | 32 | 8 | 41 | 45.5 |
| BMC15A-04R | 1/2 | 21.7 | 1/2 | 12 | 8.16 | 32 | 36 | 9 | 43 | 47.5 |
| BMC15A-06R | 1/2 | 21.7 | 3/4 | 16 | 9.53 | 32 | 36 | 9 | 45 | 43 |
| BMC20A-06R | 3/4 | 27.2 | 3/4 | 16 | 9.53 | 41 | 46 | 10 | 48 | 52.5 |
| BMC20A-08R | 3/4 | 27.2 | 1 | 22 | 10.39 | 41 | 46 | 10 | 51 | 54.5 |
| BMC25A-08R | 1 | 34 | 1 | 22 | 10.39 | 46 | 55 | 11 | 52 | 59 |
| BMC25A-10R | 1 | 34 | 1-1/4 | 28 | 12.7 | 46 | 55 | 11 | 55 | 60 |
| BMC32A-10R | 1-1/4 | 42.7 | 1-1/4 | 31 | 12.7 | 60 | 65 | 12 | 64 | 72 |
| BMC32A-12R | 1-1/4 | 42.7 | 1-1/2 | 34 | 12.7 | 60 | 65 | 12 | 64 | 72 |
| BMC40A-12R | 1-1/2 | 48.6 | 1-1/2 | 36 | 12.7 | 65 | 75 | 12 | 67 | 76 |
| BMC40A-16R | 1-1/2 | 48.6 | 2 | 40 | 15.88 | 65 | 75 | 12 | 71 | 76.5 |
BMC-G
| Designations | Tube O.D | (PT) T |
E | Basic Gauge length a |
Width across flat | i | ℓ | Ref. | ||
| D | H1 | H | L | |||||||
| BMC06-01R | 6 | 1/8 | 4 | 3.97 | 14 | 14 | 7 | 28 | 34.5 | |
| BMC06-02R | 6 | 1/4 | 4 | 6.01 | 17 | 14 | 7 | 33 | 37.5 | |
| BMC06-03R | 6 | 3/8 | 4 | 6.35 | 17 | 14 | 7 | 34 | 38.5 | |
| BMC08-01R | 8 | 1/8 | 4 | 3.97 | 17 | 17 | 7 | 29 | 35.5 | |
| BMC08-02R | 8 | 1/4 | 6 | 6.01 | 17 | 17 | 7 | 33 | 37.5 | |
| BMC10-02R | 10 | 1/4 | 7 | 6.01 | 17 | 19 | 7 | 33 | 38.5 | |
| BMC10-03R | 10 | 3/8 | 8 | 6.35 | 19 | 19 | 7 | 34 | 39.0 | |
| BMC10-04R | 10 | 1/2 | 8 | 8.16 | 22 | 19 | 7 | 39 | 42.5 | |
| BMC12-02R | 12 | 1/4 | 7 | 6.01 | 19 | 22 | 7 | 33 | 38.5 | |
| BMC12-03R | 12 | 3/8 | 9 | 6.35 | 19 | 22 | 7 | 34 | 39.0 | |
| BMC12-04R | 12 | 1/2 | 10 | 8.16 | 24 | 22 | 7 | 39 | 42.5 | |
| BMC15-03R | 15 | 3/8 | 9 | 6.35 | 24 | 27 | 7.5 | 37 | 43.0 | |
| BMC15-04R | 15 | 1/2 | 12 | 8.16 | 24 | 27 | 7.5 | 41 | 45.5 | |
| BMC16-03R | 16 | 3/8 | 9 | 6.35 | 27 | 30 | 7.5 | 37 | 43 | |
| BMC16-04R | 15 | 1/2 | 12 | 8.16 | 27 | 30 | 7.5 | 41 | 45.5 | |
| BMC18-04R | 18 | 1/2 | 12 | 8.16 | 27 | 32 | 8 | 41 | 45.5 | |
| BMC20-04R | 20 | 1/2 | 12 | 8.16 | 30 | 36 | 8 | 43 | 47.5 | |
| BMC20-06R | 20 | 3/4 | 16 | 9.53 | 30 | 36 | 8 | 45 | 48 | |
| BMC22-04R | 22 | 1/2 | 12 | 8.16 | 32 | 36 | 9 | 43 | 47.5 | |
| BMC22-06R | 22 | 3/4 | 16 | 9.53 | 32 | 36 | 9 | 45 | 48 | |
| BMC25-08R | 25 | 1 | 20 | 10.39 | 36 | 41 | 10 | 49 | 52 | |
| BMC28-08R | 28 | 1 | 22 | 10.39 | 41 | 46 | 10 | 51 | 54.5 | |
| BMC30-08R | 30 | 1 | 22 | 10.39 | 41 | 46 | 10 | 51 | 55 | |
| BMC30-10R | 30 | 1-1/4 | 25 | 12.7 | 46 | 46 | 10 | 55 | 57 | |
| BMC32-10R | 32 | 1-1/4 | 26 | 12.7 | 46 | 50 | 11 | 55 | 57 | |
| BMC35-10R | 35 | 1-1/4 | 28 | 12.7 | 46 | 55 | 11 | 55 | 60 | |
| BMC38-12R | 38 | 1-1/2 | 32 | 12.7 | 50 | 60 | 12 | 57 | 64 | |
| BMC40-12R | 40 | 1-1/2 | 32 | 12.7 | 55 | 60 | 12 | 62 | 69 | |
| BMC42-12R | 42 | 1-1/2 | 34 | 12.7 | 55 | 60 | 12 | 62 | 69 | |
| BMC06A-01R | 1/8 | 10.5 | 1/8 | 4 | 3.97 | 17 | 19 | 7 | 29 | 36.5 |
| BMC06A-02R | 1/8 | 10.5 | 1/4 | 7 | 6.01 | 17 | 19 | 7 | 33 | 38.5 |
| BMC08A-02R | 1/4 | 13.8 | 1/4 | 7 | 6.01 | 22 | 24 | 7.5 | 36 | 42 |
| BMC08A-03R | 1/4 | 13.8 | 3/8 | 9 | 6.35 | 22 | 24 | 7.5 | 37 | 42.5 |
| BMC10A-03R | 3/8 | 17.3 | 3/8 | 9 | 6.35 | 27 | 32 | 8 | 37 | 43 |
| BMC10A-04R | 3/8 | 17.3 | 1/2 | 12 | 8.16 | 27 | 32 | 8 | 41 | 45.5 |
| BMC15A-04R | 1/2 | 21.7 | 1/2 | 12 | 8.16 | 32 | 36 | 9 | 43 | 47.5 |
| BMC15A-06R | 1/2 | 21.7 | 3/4 | 16 | 9.53 | 32 | 36 | 9 | 45 | 43 |
| BMC20A-06R | 3/4 | 27.2 | 3/4 | 16 | 9.53 | 41 | 46 | 10 | 48 | 52.5 |
| BMC20A-08R | 3/4 | 27.2 | 1 | 22 | 10.39 | 41 | 46 | 10 | 51 | 54.5 |
| BMC25A-08R | 1 | 34 | 1 | 22 | 10.39 | 46 | 55 | 11 | 52 | 59 |
| BMC25A-10R | 1 | 34 | 1-1/4 | 28 | 12.7 | 46 | 55 | 11 | 55 | 60 |
| BMC32A-10R | 1-1/4 | 42.7 | 1-1/4 | 31 | 12.7 | 60 | 65 | 12 | 64 | 72 |
| BMC32A-12R | 1-1/4 | 42.7 | 1-1/2 | 34 | 12.7 | 60 | 65 | 12 | 64 | 72 |
| BMC40A-12R | 1-1/2 | 48.6 | 1-1/2 | 36 | 12.7 | 65 | 75 | 12 | 67 | 76 |
| BMC40A-16R | 1-1/2 | 48.6 | 2 | 40 | 15.88 | 65 | 75 | 12 | 71 | 76.5 |
BOM
| Designations | Tube O.D | (PT) T |
E | Width across flat | i | A | L1 | ℓ | Ref. | ||
| D | H1 | H | L | ||||||||
| BOM06-01G | 6 | 1/8 | 4 | 14 | 14 | 7 | 14 | 8 | 28 | 30.5 | |
| BOM06-02G | 6 | 1/4 | 4 | 19 | 14 | 7 | 19 | 12 | 33 | 31.5 | |
| BOM08-01G | 8 | 1/8 | 4 | 17 | 17 | 7 | 14 | 8 | 28 | 30.5 | |
| BOM08-02G | 8 | 1/4 | 6 | 19 | 17 | 7 | 19 | 12 | 33 | 31.5 | |
| BOM10-02G | 10 | 1/4 | 6 | 19 | 19 | 7 | 19 | 12 | 3 | 32.5 | |
| BOM10-03G | 10 | 3/8 | 8 | 22 | 19 | 7 | 22 | 12 | 34 | 33.5 | |
| BOM12-02G | 12 | 1/4 | 6 | 19 | 22 | 7 | 19 | 12 | 33 | 32.5 | |
| BOM12-03G | 12 | 3/8 | 8 | 22 | 22 | 7 | 22 | 12 | 34 | 33.5 | |
| BOM12-04G | 12 | 1/2 | 10 | 27 | 22 | 7 | 27 | 14 | 39 | 36.5 | |
| BOM15-03G | 15 | 3/8 | 8 | 24 | 27 | 7.5 | 22 | 12 | 37 | 37.5 | |
| BOM15-04G | 15 | 1/2 | 12 | 27 | 27 | 7.5 | 27 | 14 | 41 | 39.5 | |
| BOM16-04G | 16 | 1/2 | 12 | 27 | 30 | 7.5 | 27 | 14 | 41 | 39.5 | |
| BOM18-04G | 18 | 1/2 | 12 | 27 | 32 | 8 | 27 | 14 | 41 | 39.5 | |
| BOM20-06G | 20 | 3/4 | 16 | 36 | 36 | 8 | 36 | 16 | 46 | 42.5 | |
| BOM22-06G | 22 | 3/4 | 16 | 36 | 36 | 9 | 36 | 16 | 46 | 42.5 | |
| BOM25-06G | 25 | 3/4 | 16 | 36 | 41 | 10 | 36 | 16 | 46 | 43.5 | |
| BOM25-08G | 25 | 1 | 20 | 41 | 41 | 10 | 41 | 18 | 50 | 45.5 | |
| BOM28-08G | 28 | 1 | 22 | 41 | 46 | 10 | 41 | 18 | 52 | 48 | |
| BOM30-08G | 30 | 1 | 22 | 41 | 46 | 10 | 41 | 18 | 52 | 48.5 | |
| BOM30-10G | 30 | 1-1/4 | 25 | 50 | 46 | 10 | 50 | 20 | 57 | 51.5 | |
| BOM32-10G | 32 | 1-1/4 | 26 | 50 | 50 | 11 | 50 | 20 | 57 | 51.5 | |
| BOM35-10G | 35 | 1-1/4 | 28 | 50 | 55 | 11 | 50 | 20 | 57 | 54.5 | |
| BOM38-12G | 38 | 1-1/2 | 32 | 55 | 60 | 12 | 55 | 21 | 58 | 56.5 | |
| BOM40-12G | 40 | 1-1/2 | 32 | 55 | 60 | 12 | 55 | 21 | 62 | 60.5 | |
| BOM42-12G | 42 | 1-1/2 | 34 | 55 | 60 | 12 | 55 | 21 | 62 | 60.5 | |
| BOM06A-01G | 1/8 | 10.5 | 1/8 | 4 | 17 | 19 | 7 | 14 | 8 | 29 | 32.5 |
| BOM06A-02G | 1/8 | 10.5 | 1/4 | 6 | 19 | 19 | 7 | 19 | 12 | 33 | 32.5 |
| BOM08A-02G | 1/4 | 13.8 | 1/4 | 6 | 22 | 24 | 7.5 | 19 | 12 | 36 | 36 |
| BOM08A-03G | 1/4 | 13.8 | 3/8 | 8 | 22 | 24 | 7.5 | 22 | 12 | 36 | 36 |
| BOM10A-03G | 3/8 | 17.3 | 3/8 | 8 | 27 | 32 | 8 | 22 | 12 | 38 | 38.5 |
| BOM10A-04G | 3/8 | 17.3 | 1/2 | 12 | 27 | 32 | 8 | 27 | 14 | 41 | 39.5 |
| BOM15A-04G | 1/2 | 21.7 | 1/2 | 12 | 32 | 36 | 9 | 27 | 14 | 43 | 41.5 |
| BOM15A-06G | 1/2 | 21.7 | 3/4 | 16 | 36 | 36 | 9 | 36 | 16 | 46 | 42.5 |
| BOM20A-06G | 3/4 | 27.2 | 3/4 | 16 | 41 | 46 | 10 | 36 | 16 | 50 | 48 |
| BOM20A-08G | 3/4 | 27.2 | 1 | 22 | 41 | 46 | 10 | 41 | 18 | 52 | 48 |
| BOM25A-08G | 1 | 34 | 1 | 22 | 46 | 55 | 11 | 41 | 18 | 54 | 53.5 |
| BOM25A-10G | 1 | 34 | 1-1/4 | 28 | 50 | 55 | 11 | 50 | 20 | 57 | 54.5 |
| BOM32A-10G | 1-1/4 | 42.7 | 1-1/4 | 31 | 60 | 65 | 12 | 50 | 20 | 63 | 63.5 |
| BOM32A-12G | 1-1/4 | 42.7 | 1-1/2 | 34 | 60 | 65 | 12 | 55 | 21 | 64 | 63.5 |
| BOM40A-12G | 1-1/2 | 48.6 | 1-1/2 | 36 | 65 | 75 | 12 | 55 | 21 | 65 | 65.5 |
| BOM40A-16G | 1-1/2 | 48.6 | 2 | 40 | 75 | 75 | 12 | 75 | 25 | 73 | 69.5 |
BLM
| Designations | Tube O.D | (PF) T |
E | E1 | Basic Gauge length a |
Width across flat | i | ℓ | Ref. | |||
| D | h | H | L | L1 | ||||||||
| BLM06-01R | 6 | 1/8 | 4 | 4 | 3.97 | 14 | 14 | 7 | 20 | 30.5 | 14 | |
| BLM06-02R | 6 | 1/4 | 4 | 7 | 6.01 | 17 | 14 | 7 | 23 | 33.5 | 17 | |
| BLM08-01R | 8 | 1/8 | 6 | 4 | 3.97 | 17 | 17 | 7 | 23 | 33.5 | 16 | |
| BLM08-02R | 8 | 1/4 | 6 | 7 | 6.01 | 17 | 17 | 7 | 23 | 33.5 | 18 | |
| BLM10-02R | 10 | 1/4 | 8 | 7 | 6.01 | 17 | 19 | 7 | 23 | 34.5 | 19 | |
| BLM10-03R | 10 | 3/8 | 8 | 9 | 6.35 | 19 | 19 | 7 | 24 | 35.5 | 19.5 | |
| BLM10-04R | 10 | 1/2 | 8 | 12 | 8.16 | 22 | 19 | 7 | 29 | 40.5 | 26 | |
| BLM12-02R | 12 | 1/4 | 10 | 7 | 6.01 | 19 | 22 | 7 | 24 | 35.5 | 20 | |
| BLM12-03R | 12 | 3/8 | 10 | 9 | 6.35 | 19 | 22 | 7 | 24 | 35.5 | 20.5 | |
| BLM12-04R | 12 | 1/2 | 10 | 12 | 8.16 | 24 | 22 | 7 | 29 | 40.5 | 26 | |
| BLM15-03R | 15 | 3/8 | 12 | 9 | 6.35 | 24 | 27 | 7.5 | 29 | 41.5 | 23.5 | |
| BLM15-04R | 15 | 1/2 | 12 | 12 | 8.16 | 24 | 27 | 7.5 | 29 | 41.5 | 26 | |
| BLM16-03R | 16 | 3/8 | 13 | 9 | 6.35 | 27 | 30 | 7.5 | 32 | 44.5 | 25.5 | |
| BLM16-04R | 16 | 1/2 | 13 | 12 | 8.16 | 27 | 30 | 7.5 | 32 | 44.5 | 27 | |
| BLM18-03R | 18 | 3/8 | 14 | 9 | 6.35 | 27 | 32 | 8 | 32 | 44.5 | 27.5 | |
| BLM18-04R | 18 | 1/2 | 14 | 12 | 8.16 | 27 | 32 | 8 | 32 | 44.5 | 30 | |
| BLM20-04R | 20 | 1/2 | 17 | 12 | 8.16 | 30 | 36 | 8 | 33 | 45.5 | 32 | |
| BLM20-06R | 20 | 3/4 | 17 | 16 | 9.53 | 30 | 36 | 8 | 33 | 45.5 | 30.5 | |
| BLM22-04R | 22 | 1/2 | 18 | 12 | 8.16 | 32 | 36 | 9 | 34 | 46.5 | 32 | |
| BLM22-06R | 22 | 3/4 | 18 | 16 | 9.53 | 32 | 36 | 9 | 34 | 46.5 | 32.5 | |
| BLM25-06R | 25 | 3/4 | 20 | 16 | 9.53 | 36 | 41 | 10 | 36 | 49.5 | 33.5 | |
| BLM25-08R | 25 | 1 | 20 | 22 | 10.39 | 36 | 41 | 10 | 36 | 49.5 | 35.5 | |
| BLM28-06R | 28 | 3/4 | 22 | 16 | 9.53 | 41 | 46 | 10 | 41 | 55 | 37.5 | |
| BLM28-08R | 28 | 1 | 22 | 22 | 10.39 | 41 | 46 | 10 | 41 | 55 | 39.5 | |
| BLM30-08R | 30 | 1 | 25 | 22 | 10.39 | 41 | 46 | 10 | 41 | 55.5 | 39.5 | |
| BLM30-10R | 30 | 1-1/4 | 25 | 31 | 12.7 | 46 | 46 | 10 | 46 | 60.5 | 42.5 | |
| BLM32-10R | 32 | 1-1/4 | 26 | 31 | 12.7 | 46 | 50 | 11 | 46 | 60.5 | 43.5 | |
| BLM35-10R | 35 | 1-1/4 | 28 | 31 | 12.7 | 46 | 55 | 11 | 46 | 63.5 | 45.5 | |
| BLM38-12R | 38 | 1-1/2 | 32 | 36 | 12.7 | 50 | 60 | 12 | 50 | 69.5 | 48.5 | |
| BLM40-12R | 40 | 1-1/2 | 32 | 36 | 12.7 | 55 | 60 | 12 | 55 | 74.5 | 49.5 | |
| BLM42-12R | 42 | 1-1/2 | 34 | 36 | 12.7 | 55 | 60 | 12 | 55 | 74.5 | 49.5 | |
| BLM06A-01R | 1/8 | 10.5 | 1/8 | 8 | 4 | 3.97 | 17 | 19 | 7 | 23 | 34.5 | 17 |
| BLM06A-02R | 1/8 | 10.5 | 1/4 | 8 | 7 | 6.01 | 17 | 19 | 7 | 23 | 34.5 | 19 |
| BLM08A-02R | 1/4 | 13.8 | 1/4 | 11 | 7 | 6.01 | 22 | 24 | 7.5 | 28 | 40 | 22 |
| BLM08A-03R | 1/4 | 13.8 | 3/8 | 11 | 9 | 6.35 | 22 | 24 | 7.5 | 28 | 40 | 22.5 |
| BLM10A-03R | 3/8 | 17.3 | 3/8 | 14 | 9 | 6.35 | 27 | 32 | 8 | 32 | 44.5 | 27.5 |
| BLM10A-04R | 3/8 | 17.3 | 1/2 | 14 | 12 | 8.16 | 27 | 32 | 8 | 32 | 44.5 | 30 |
| BLM15A-04R | 1/2 | 21.7 | 1/2 | 18 | 12 | 8.16 | 32 | 36 | 9 | 34 | 46.5 | 32 |
| BLM15A-06R | 1/2 | 21.7 | 3/4 | 18 | 16 | 9.53 | 32 | 36 | 9 | 34 | 46.5 | 32.5 |
| BLM20A-06R | 3/4 | 27.2 | 3/4 | 22 | 16 | 9.53 | 41 | 46 | 10 | 41 | 55 | 37.5 |
| BLM20A-08R | 3/4 | 27.2 | 1 | 22 | 22 | 10.39 | 41 | 46 | 10 | 41 | 55 | 39.5 |
| BLM25A-08R | 1 | 34 | 1 | 28 | 22 | 10.39 | 46 | 55 | 11 | 46 | 63.5 | 44.5 |
| BLM25A-10R | 1 | 34 | 1-1/4 | 28 | 31 | 12.7 | 46 | 55 | 11 | 46 | 63.5 | 45.5 |
| BLM32A-10R | 1-1/4 | 42.7 | 1-1/4 | 34 | 31 | 12.7 | 60 | 65 | 12 | 57 | 77.5 | 51.5 |
| BLM32A-12R | 1-1/4 | 42.7 | 1-1/2 | 34 | 36 | 12.7 | 60 | 75 | 12 | 57 | 77.5 | 51.5 |
| BLM40A-12R | 1-1/2 | 48.6 | 1-1/2 | 40 | 36 | 12.7 | 65 | 75 | 12 | 62 | 83.5 | 57.5 |
| BLM40A-16R | 1-1/2 | 48.6 | 2 | 40 | 46 | 15.88 | 65 | 75 | 12 | 62 | 83.5 | 58 |
BLLM
| Designations | Tube O.D | (PT) T |
E | E1 | Basic Gauge length a |
Width across flat | i | ℓ | Ref. | ||
| D | h | H | L | L1 | |||||||
| BLLM06-01R | 6 | 1/8 | 4 | 4 | 3.97 | 14 | 14 | 7 | 20 | 30.5 | 36 |
| BLLM06-02R | 8 | 1/4 | 6 | 7 | 6.01 | 17 | 17 | 7 | 23 | 33.5 | 43 |
| BLLM10-02R | 10 | 1/4 | 8 | 7 | 6.01 | 17 | 19 | 7 | 23 | 34.5 | 46 |
| BLLM12-02R | 12 | 1/4 | 10 | 7 | 8.01 | 19 | 22 | 7 | 24 | 35.5 | 52 |
| BLLM12-03R | 12 | 3/8 | 10 | 9 | 6.35 | 19 | 22 | 7 | 24 | 35.5 | 53 |
| BLLM15-03R | 15 | 3/8 | 12 | 9 | 6.35 | 24 | 27 | 7.5 | 29 | 41.5 | 61.5 |
| BLLM15-04R | 15 | 1/2 | 12 | 12 | 8.16 | 24 | 27 | 7.5 | 29 | 41.5 | 67 |
| BLLM16-04R | 16 | 1/2 | 13 | 12 | 8.16 | 27 | 30 | 7.5 | 32 | 44.5 | 70 |
| BLLM18-04R | 18 | 1/2 | 14 | 12 | 8.16 | 27 | 32 | 8 | 32 | 44.5 | 77 |
| BLLM20-06R | 20 | 3/4 | 17 | 16 | 9.53 | 30 | 36 | 8 | 33 | 45.5 | 82.5 |
| BLLM22-06R | 22 | 3/4 | 18 | 16 | 9.53 | 32 | 36 | 9 | 34 | 46.5 | 83.5 |
| BLLM25-06R | 25 | 3/4 | 20 | 16 | 9.53 | 36 | 41 | 10 | 36 | 49.5 | 90.5 |
| BLLM25-08R | 25 | 1 | 20 | 22 | 10.39 | 36 | 41 | 10 | 36 | 49.5 | 91.5 |
| BLLM28-08R | 28 | 1 | 22 | 22 | 10.39 | 41 | 46 | 10 | 41 | 55 | 104.5 |
| BLLM30-10R | 30 | 1-1/4 | 25 | 31 | 12.7 | 46 | 46 | 10 | 46 | 60.5 | 104.5 |
| BLLM32-10R | 32 | 1-1/4 | 26 | 31 | 12.7 | 46 | 50 | 11 | 46 | 60.5 | 104.5 |
| BLLM35-10R | 35 | 1-1/4 | 28 | 31 | 12.7 | 46 | 55 | 11 | 46 | 63.5 | 121.5 |
BOLM
| Designations | Tube O.D | (PT) T |
E | E1 | Width across flat | i | L1 | ℓ | Ref. | |||
| d | h | H | H1 | L1 | L | |||||||
| BOLM06-01G | 6 | 1/8 | 4 | 4 | 14 | 14 | 14 | 7 | 10 | 20 | 30.0 | 30.5 |
| BOLM08-02G | 8 | 1/4 | 6 | 6 | 17 | 19 | 17 | 7 | 12 | 23 | 34.0 | 33.5 |
| BOLM10-02G | 10 | 1/4 | 8 | 6 | 17 | 19 | 19 | 7 | 12 | 23 | 35.0 | 34.5 |
| BOLM12-02G | 12 | 1/4 | 10 | 6 | 19 | 19 | 22 | 7 | 12 | 24 | 36.0 | 35.5 |
| BOLM12-03G | 12 | 3/8 | 10 | 9 | 19 | 22 | 22 | 7 | 12 | 24 | 36.0 | 35.5 |
| BOLM12-04G | 12 | 1/2 | 10 | 12 | 24 | 27 | 22 | 7 | 16 | 24 | 46.0 | 35.5 |
| BOLM15-03G | 15 | 3/8 | 12 | 9 | 24 | 22 | 27 | 7.5 | 12 | 29 | 40.0 | 41.5 |
| BOLM15-04G | 15 | 1/2 | 12 | 12 | 24 | 27 | 27 | 7.5 | 16 | 29 | 46.0 | 41.5 |
| BOLM16-04G | 16 | 1/2 | 13 | 12 | 24 | 27 | 30 | 7.5 | 16 | 32 | 46.0 | 44.5 |
| BOLM18-04G | 18 | 1/2 | 14 | 12 | 30 | 27 | 32 | 8 | 16 | 32 | 52.0 | 44.5 |
| BOLM20-06G | 20 | 3/4 | 17 | 16 | 30 | 36 | 36 | 8 | 17 | 33 | 52.0 | 45.5 |
| BOLM22-06G | 22 | 3/4 | 18 | 16 | 32 | 36 | 36 | 9 | 17 | 34 | 52.0 | 46.5 |
| BOLM25-06G | 25 | 3/4 | 20 | 16 | 36 | 36 | 41 | 10 | 17 | 36 | 60 | 49.5 |
| BOLM25-08G | 25 | 1 | 20 | 22 | 36 | 41 | 41 | 10 | 21 | 36 | 62 | 49.5 |
| BOLM28-08G | 28 | 1 | 22 | 22 | 41 | 41 | 46 | 10 | 21 | 41 | 62 | 55 |
| BOLM30-08G | 30 | 1 | 25 | 22 | 41 | 41 | 46 | 10 | 21 | 41 | 66 | 55.5 |
| BOLM30-10G | 30 | 1-1/4 | 25 | 31 | 46 | 50 | 46 | 10 | 21 | 44 | 66 | 58.5 |
| BOLM32-10G | 32 | 1-1/4 | 26 | 31 | 46 | 50 | 50 | 11 | 21 | 46 | 66 | 60.5 |
| BOLM35-10G | 35 | 1-1/4 | 28 | 31 | 46 | 50 | 55 | 11 | 21 | 46 | 66 | 63.5 |
| BOLM38-12G | 38 | 1-1/2 | 32 | 36 | 50 | 55 | 60 | 12 | 21 | 50 | 73 | 69.5 |













